728x90

문 13. 수평지반에 대한 Coulomb 토압이론의 설명으로 옳지 않은 것은?
① 벽면 마찰을 고려하여 토압을 계산한다.
② 연직벽체의 경우 주동토압은 Rankine 주동토압보다 작다.
③ 흙쐐기를 강체로 가정한 토압이론이다.
④ 주동상태에서 연직벽체에 작용하는 수평응력은 최소 주응력이다.
<난이도 및 평가>
난이도 하이며 마르고 닳도록 나오는 문제이다. 기사에서도 출제되는 문제이니 틀리면 안되는 문제이다.
<해설>
| 종류 | Rankine | Coulomb |
| 벽면 마찰 | 무시한다 | 고려해야 함 |
| 주동토압 | 크다 | 작다 |
| 수동토압 | 작다 | 크다 |
| 기타 | 소성평형이론 Ka x Kp = 1 |
흙 쐐기이론=강체로 취급 Ka x Kp ≠ 1 |
| 주동 토압 | σn = σ₃ | 파괴면 중 최대 |
| 수동 토압 | σn = σ₁ 토압의 방향은 지표면과 평행하다 |
파괴면 중 최소 토압의 방향은 지표면과 다르다 |
위의 표를 암기하도록 하자.
문 14. 10m 두께의 점토층이 모래층 사이에 분포하는 지반 위에 산업단지가 조성되었다. 조성 후 5년 간 계측한 결과 12cm의 침하가 발생하였고, 이 때 평균 압밀도는 80%로 나타났다. 이 지반의 최종 압밀침하량[cm]은? (단, 모래의 침하는 없는 것으로 가정한다)
① 13.5
② 15.0
③ 17.5
④ 20.0
<난이도 및 평가>
난이도 중으로 동해물과 백두산이 마르고 닳도록 나오는 문제이다.
<해설>
ΔHt = 12cm
U = 80% = ΔHt / ΔH = 12 / ΔH = 0.8
ΔH = 12/0.8 = 15cm
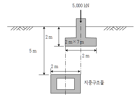
문 15. 그림과 같은 독립기초(폭 2m, 길이 7m)에 작용하는 5,000kN의 하중으로 인해 지표면 아래 5m에 위치한 지중구조물 단면 상부에 야기되는 수직응력[kN/m²]은? (단, 2:1분포법을 사용하여 산정한다)

300x250
① 50
② 100
③ 150
④ 200
<난이도 및 평가>
난이도 중으로 아주 자주나오는 문제이므로 푸는법을 머리속에 암기해두자
<해설>
Q = qBL = Δσz(B+2Ztanθ)(L+2Ztanθ) = Δσz(B+Z)(L+Z)
Δσz= 5000/(3+2)(7+3) = 100KN/m²
문 16. 상부 모래층과 하부 암반층 사이에 위치하는 점토층의 압밀속도를 계산한 결과, 90% 압밀에 소요되는 시간이 5년이었다. 만일 하부에 암반층 대신 모래층이 존재한다면 90% 압밀에 소요되는 시간은?
① 1.25년
② 1.5년
③ 2.5년
④ 5년
<난이도 및 평가>
14번 문제랑 비슷한 문제이고 아주 아주 마르고 닳도록 나오고 기사수준이다 틀리지말자
<해설>

위의 공식만 알고있으면 1초컷이다.
H의 비가 1 : 2 이므로
시간은
t 1 : 4
정답은 1번이다
728x90
728x90
'7급 토목직 풀이 > 7급 토질역학 문제풀이' 카테고리의 다른 글
| 2013년 국가직7급 토질역학 1~5번 해설 (0) | 2022.01.15 |
|---|---|
| 2012년 국가직7급 토질역학 17~20번 해설 (0) | 2022.01.14 |
| 2012년 국가직7급 토질역학 9~12번 해설 (0) | 2022.01.06 |
| 2012년 국가직7급 토질역학 5~8번 해설 (0) | 2022.01.04 |
| 2012년 국가직 7급 토질역학 1~4번 해설 (0) | 2021.12.30 |